So, there’s no DAC on the ESP32-S3.
You would think this would be a bit of a downer if if you want to get audio out and use an analog amplifier.
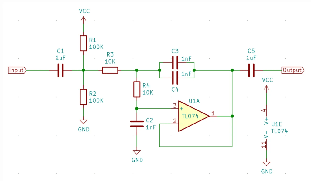
But it’s actually surprisingly easy to output Pulse Density Modulated audio using Sigma Delta Modulation on the ESP32 and you can recover the audio signal by low pass filtering it – an RC filter can be sufficient for this. And that’s what I’m using in the video.

Leave a comment